Skip to main content

Thermal and Catalytic Process Development Unit

The Thermal and Catalytic Process Development Unit (TCPDU) at NLR has state-of-the-art equipment for thermochemical process development and testing, ranging from catalyst and feedstock characterizations to bench-scale reactors to pilot plants.

We welcome partners who wish to collaborate on research and development efforts or to use our equipment to test their materials and processes.

Note: This video was produced when the laboratory operated as the National Renewable Energy Laboratory (NREL). The laboratory is now the National Laboratory of the Rockies (NLR).

Text version

In addition to the following testing systems, we have several other lab-scale reactor systems and the ability to engineer and fabricate custom systems.

Pilot-Scale Systems

Schematic of NREL’s gasification system showing biomass moving through heating, reforming, and separation steps. The process includes cleanup stages, with outputs directed to fuel synthesis or the Thermal Oxidizer.

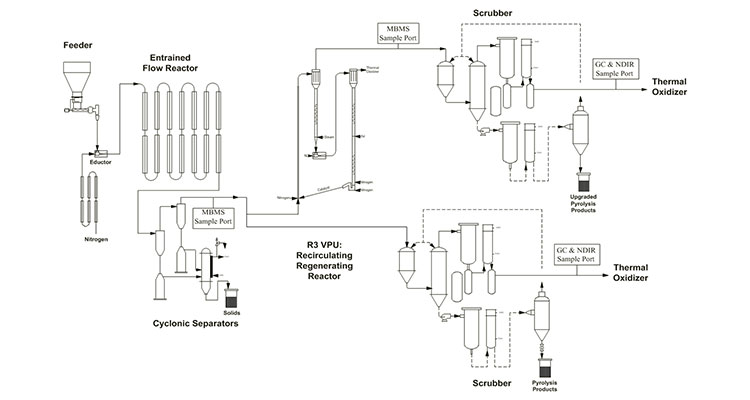
Thermal and Catalytic Process Development Unit – Pyrolysis

The Thermal and Catalytic Process Development Unit (TCPDU) is used to test biomass pyrolysis technologies at the pilot scale. The TCPDU can be configured for fast pyrolysis and catalytic pyrolysis. An entrained flow reactor is used to generate the pyrolysis vapors, cyclones to collect char and ash, and a spray condensation train to collect the final products. A recirculating regenerating reactor can be used to catalytically upgrade the pyrolysis vapors. Online analytical capabilities include molecular beam mass spectrometry, gas chromatography, thermal conductivity detection, and nondispersive infrared. Partners can use the TCPDU to test catalysts or bring in their own unit operations to attach to the TCPDU to test their pyrolysis technologies.


Schematic of NREL's gasification process with biomass fed into a fluidized bed reactor. The flow either goes to the thermal oxidizer or undergoes gasification and reforming, leading to fuel synthesis or oxidation.

Thermal and Catalytic Process Development Unit – Gasification

The TCPDU is also used to test biomass gasification technologies at the pilot scale. In the gasification configuration, the TCPDU is comprised of a fluid bed reactor for initial volatilization of biomass, a thermal cracker to complete gasification, cyclones for char and ash collection, and a gas scrubbing system. Three different reforming reactors are available and can be used independently or in parallel: fluid bed, packed bed, and recirculating regenerating reactor. Online analytical capabilities include molecular beam mass spectrometry, gas chromatography, thermal conductivity detection, and nondispersive infrared. Partners can use the TCPDU to test catalysts or bring in their own skid to attach to the TCPDU to test syngas upgrading technologies.


Photo of two engineers facing a large, multi-level Davison circulating riser, with laptops on tall tables. The riser features colorful scaffolding, pipes, tubes, and control panels with dials and monitors.

Davison Circulating Riser

NLR's tandem pyrolysis and Davison circulating riser (DCR) reaction system consists of a fluidized-bed pyrolysis reactor interfaced with an industry-standard DCR circulating riser/regenerator system (Grace Davison design). The system can operate coupled—with pyrolysis vapors going directly to the riser—or uncoupled—with condensed liquid products used as the feed or co-feed to the riser.

The system has been used extensively for producing catalytic fast pyrolysis liquids from biomass and for work on coprocessing biogenic feedstocks with petroleum fractions. The system produces very high-quality data with mass balances generally 100% ± 5%. The lab also houses a Xytel attrition testing unit (to determine if novel catalysts are suitable for circulation in the DCR), and on-line product speciation by gas chromatography and mass spectroscopy.


Laboratory-Scale Reactor Systems

Multi-color line drawing of a bench-scale fuel synthesis reactor showing a series of interconnected tubes, pipes, valves, and wires, all standing on a platform.

Fuel Synthesis Catalysis Laboratory

NLRs Fuel Synthesis Catalysis Laboratory (FSCL) is a purpose-built facility designed for testing heterogeneous catalysts in their role of converting biomass intermediates to chemicals and fuels. A variety of reactor systems, customized for the challenges of bio-intermediate upgrading, can be used to test various materials and process conditions. Alternately, reactor bays are equipped to handle new designs or customer-supplied equipment. In-house developed, partner-supplied, and purchased catalysts can be tested across operating conditions that span 0–2,000 psig (pressure), 150°F–1,800°F (temperature), permanent and condensable gases, liquids, and vaporizable solids. Full process automation allows for extended operation up to thousands of hours. Product analysis is achieved through online chromatography and mass spectrometry and a multitude of offline techniques, like nuclear magnetic resonance, high-performance liquid chromatography, scanning electron microscopy with X-ray microanalysis, transmission electron microscopy, X-ray diffraction, Fourier transform infrared spectroscopy, Raman, etc.


Schematic of a research gasifier system showing biomass fed into a gasifier with steam or nitrogen and air. The flow moves through char removal, reforming, condensation, and amine scrubbing, then ends in gas compression and storage in three accumulators.

Research Gasifier

The NLR Research Gasifier (NRG) is a compact, fully automated gasification system that consists of biomass feeding, gasification, solids removal, tar and hydrocarbon reforming, liquids condensation, CO2 removal, gas compression, and syngas storage for future use. The individual sub-systems of the NRG can be manipulated for individualized research.


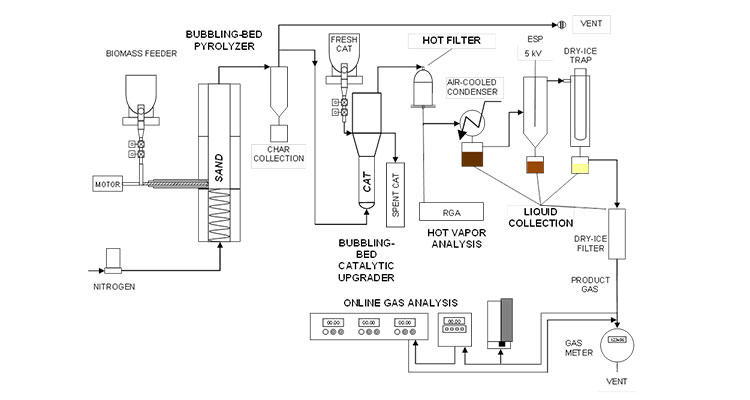
Schematic of a fluidized bed reactor, showing motor, feeder, sand, char collection, catalysts, filtration, condensation, liquid collection, and venting, with control panels for monitoring.

Bench-Scale Biomass Conversion System

The two-inch fluidized bed reactor system is a valuable intermediate between micro-scale experiments and larger pilot-scale experiments. In its current configuration, it receives solid biomass powder (sawdust) at rates of several hundred grams per hour and converts it to tangible quantities of liquid-fuel precursors as well as solid and gaseous co-products. These products are then thoroughly analyzed chemically and physically, as well as further upgraded by hydroprocessing so as to evaluate and compare biomass feed materials, catalysts, thermal conditions, and reactor conditions to identify promising processes for the economic production of fuels and chemicals from biomass.


Photo of two engineers in safety glasses working on a reactor system with metal tanks, tubing, pipes, and wires. The system is used for in situ and ex situ catalytic fast pyrolysis to generate bio-oil for compositional analysis.

Laminar Entrained Flow Reactor

The Laminar Entrained Flow Reactor (LEFR) is a modular, laboratory-scale, single-user reactor for studying catalytic fast pyrolysis (CFP). This system can be used to study a variety of reactor conditions for both in situ (in place) and ex situ (out of place) CFP.

NLR's custom-built LEFR system continuously produces char-free pyrolysis vapors and delivers them to a second, independently controlled, catalytic reactor. The secondary reactor can be configured as a four-channel fixed bed or drop tube reactor. Catalyst performance and deactivation can be studied at small scale with real biomass pyrolysis vapors. Used catalyst is removed from the vapor stream for further analysis or regeneration. Solid char, liquids, and the outlet gas yields are measured to provide a quantitative mass balance.


Analytical and Characterization Laboratories

Cross-section of a molecular beam mass spectrometer, showing helium entering the Tube Furnace, passing through sample and catalyst areas, followed by a series of pumps (1st, 2nd, and 3rd stage), quadrapole, and detector.

Molecular Beam Mass Spectrometry

Molecular beam mass spectrometry (MBMS) is used to characterize gases and vapors that evolve from biomass thermochemical conversion and catalytic upgrading processes. NLR     has six MBMS systems: two stationary systems, two field-deployable systems (customized for use in industrial environments), and two high-throughput stationary systems with autosampler pyrolysis units. The advantages of this technique include real-time, continuous monitoring; direct sampling from harsh environments, including high-temperature, wet, particulate-laden or corrosive gas streams; nearly universal detection capabilities; and a large dynamic range (106–10-2 ppmv). Applications have included:

  • Analytical pyrolysis for material characterization, including early detection of chemical differences in genetically modified biomass crops
  • Mechanisms and kinetics of thermochemical processes, including identifying thermal degradation pathways and modeling the deactivation of steam reforming catalysts
  • Heterogeneous catalyst screening and product yield estimates
  • Reaction parameter screening for engineering scale-up
  • Monitoring and speciation of biomass-derived syngas and diesel engine exhaust.

Photo of a 400 MHz Agilent Unity Inova NMR Spectrometer, which is composed of a large metal tank on a three-legged metal stand; clear plastic tubes and wires stick out of the top and bottom of the tank.

Magnetic Resonance Facility

NLR's state-of-the-art Magnetic Resonance Facility provides both liquid and solid-state analysis for a variety of biomass, photovoltaic, and materials characterization applications on three nuclear magnetic resonance (NMR) spectrometers. Our 600 MHz Bruker Avance III NMR spectrometer provides high-throughput, quantitative liquids analysis using a Bruker Sample Jet, cutting-edge analysis of semi-solid samples using a high-resolution magic angle spinning probe, a high sensitivity liquid-state Bruker CryoProbe, and solid-state analyses of biomass feedstocks, biomass-related materials, and polymers. The 400 MHz Bruker Avance III HD NanoBay NMR spectrometer allows NLR scientists to run their own liquid sample analysis using a Bruker SampleCase autosampler for routine 1H, 13C, 31P, and 19F experiments, temperatures studies from -40°C to 80°C, and has the capability of a Bruker Prodigy CryoProbe for increased sensitivity. The 200 MHz Bruker Avance III HD NMR Spectrometer is ideal for solid-state 13C NMR studies of various materials and also offers a 10 mm liquids probe for rapid 13C analysis.


Biomass Catalyst Characterization Laboratory

NLR's Biomass Catalyst Characterization Laboratory is a comprehensive materials characterization and performance testing laboratory. Material characterization capabilities span a range of physical and chemical techniques.

Contact

See Work With Us.


Share

Last Updated Jan. 26, 2026